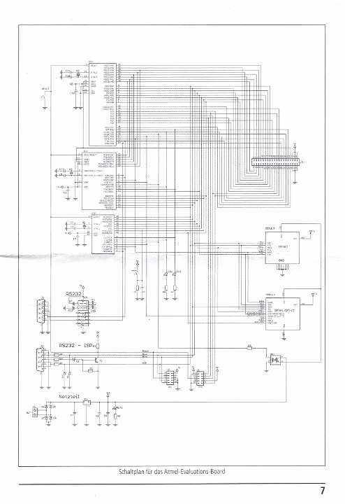
Pollin-Funk-AVR-Evaluations-Board-810046-V1-1-2007-11-05

Pollin-Funk-AVR-Evaluations-Board-810046-V1-1-001-2007-11-05 Pollin-Funk-AVR-Evaluations-Board-810046-V1-1-005-2007-11-05 Pollin-Funk-AVR-Evaluations-Board-810046-V1-1-002-2007-11-05 Pollin-Funk-AVR-Evaluations-Board-810046-V1-1-003-2007-11-05
Pollin-Funk-AVR-Evaluations-Board-810046-V1-1-004-2007-11-05